
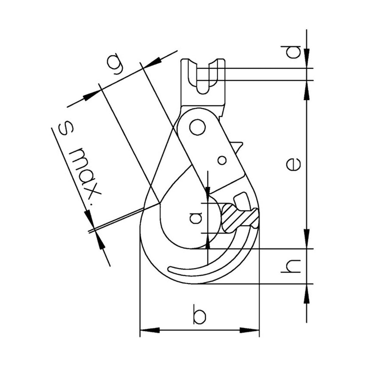
| Model | Dopuszczalne obciążanie robocze DOR | e | h | a | b | d | g | s maks. | Waga |
| --- | kg | mm | mm | mm | mm | mm | mm | mm | kg/szt. |
| KLHW 5/6 | 1400 | 94 | 20 | 17 | 71 | 7,0 | 28 | 1 | 0,5 |
| KLHW 7 | 1900 | 123 | 26 | 20 | 88 | 9,0 | 34 | 1 | 0,9 |
| KLHW 8 | 2500 | 123 | 26 | 20 | 88 | 10,0 | 34 | 1 | 0,9 |
| KLHW 10 | 4000 | 144 | 30 | 29 | 107 | 12,5 | 45 | 1 | 1,6 |
| KLHW 13 | 6700 | 180 | 40 | 35 | 138 | 16,0 | 52 | 2 | 2,9 |
| KLHW 16 | 10000 | 218 | 50 | 41 | 168 | 20,0 | 60 | 2 | 5,8 |
| KLHW 19/20 | 16000 | 259 | 62 | 50 | 194 | 24,0 | 70 | 2 | 9,9 |
| KLHW 22 | 19000 | 286 | 65 | 52 | 211 | 27,0 | 81 | 2 | 12,8 |
| KLHW 26 | 26500 | 338 | 79 | 61 | 253 | 33,0 | 100 | 2 | 20,5 |

