Uchwyt śrubowy dla przemysłu stoczniowego IPBTO10 - CROSBY
Śrubowy uchwyt do podnoszenia IPBTO10 - CROSBY, stosowany m.in. w przemyśle stoczniowym. Zacisk ten wyposażony jest w śrubę zaciskową, która ułatwia mocowanie opaski. W momencie załadunku zacisk zostaje automatycznie zamocowany.
Zacisk śrubowy IPBTO10 - CROSBY jest dostępny w wersjach o udźwigu od 1,5 do 6 ton i rozpiętości szczęk od 160 mm do 430 mm.
Korpus uchwytu wykonany jest ze spawanej stali stopowej o dużej wytrzymałości, co pozwala na zachowanie dużej wytrzymałości i mniejszych wymiarów. Części rękojeści są kute ze stopu o wysokiej wytrzymałości.
Każdy uchwyt jest indywidualnie testowany do 2-krotności dopuszczalnego obciążenia roboczego, posiada certyfikat oznaczony unikalnym numerem seryjnym i datą przeprowadzenia próby obciążeniowej na korpusie zacisku.
Nazwa firmy (CrosbyIP), logo, obciążenie robocze i limit rozwarcia szczęk są trwale wybite na korpusie zacisku.
Uchwyt śrubowy IPBTO10 - CROSBY, spełnia warunki norm EN 13155 i ASME B30.20.
Wyprodukowano zgodnie z normą ISO 9001.
Wszystkie zaciski CROSBY są WYPOSAŻONE w RFID - wyposażone w chip identyfikacyjny RFID.



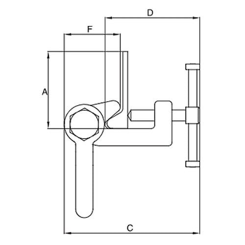
| Model | Maks obciążelnie | Waga | Szczęki A | B | C | D | E | F |
| --- | t | kg | mm | mm | mm | mm | mm | mm |
| IPBTO10 | 1,5 | 4,3 | HP 160-240 | 137 | 188-209 | 129-150 | 68 | 81 |
| IPBTO10 | 3,0 | 6,0 | HP 240-320 | 137 | 188-217 | 145-174 | 68 | 78 |
| IPBTO10 | 6,0 | 13,0 | HP 300-430 | 185 | 255-297 | 195-236 | 82 | 102 |


