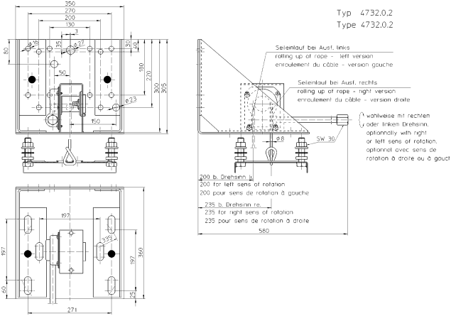
Ręczna wciągarka linowa do kół zapasowych – 4732.0,2
Do samochodów ciężarowych z wewnętrznymi bocznymi osłonami.
Z wodoodporną przekładnią ślimakową w wciągarce linowej.
Napęd do nawijania w lewo lub w prawo.
Z liną nylonową i uchwytem do kół offsetowych z regulowanymi ramionami podporowymi 335 mm, PCD dostępne opcjonalnie.
Łożysko z wysokiej jakości nylonu.
Niezawodna praca dzięki samohamownej przekładni ślimakowej.
Bezobsługowe.
Uniwersalny montaż.
Malowanie proszkowe.
Dopuszczalne obciążenie: 0,2 t
Długość obudowy: 1,75 m
Średnica bębna: 50 mm
Średnica liny: 8 mm
Moment obrotowy: 11,6 Nm
Przełożenie: 25:1
Skok podnoszenia/obrót korby: 7,3 mm
Sprawność: 0,2
Masa: 22 kg

